这些年实惠和技能的趋势,现这些年,适安全范需求的无尘室室基本上是一大堆高技术这个行业内和物品这个行业内的“带天窗”。
清洁室又是什么东西?该怎么建造、查重?目前大家来简略明白点一下。
净化室讲述
超净室是以将需空间面积内内气体中的水分子子、有危害性的气体、病毒等被污染的物去掉,并将空间内热度、超纯度、空间内压差、空气进程与空气分散、嘈音运动及灯饰照明、如何消除静电保持在特定需求分析面积内内,而所索取很设计的的屋里。
即不论外在环境条件如何变化,其室内均能具有维持原先所设定要求的洁净度、温湿度及压力等性能的特性。
其最重点的目的就在抑制產品所碰到的下垫面的洁钻石净度度及温气温,使產品能在这个更好的生态室内空间中生產、生产制造。在医药公司、电子厂、调味品等该行业都具有范围广操作。

方便的保障干净干燥室在使用的过程中 中就能够时常秉持着综合性耐磨性基本参数和环境干净干燥度等追求,基本监测方案和每季度的检侧非常有用不着。

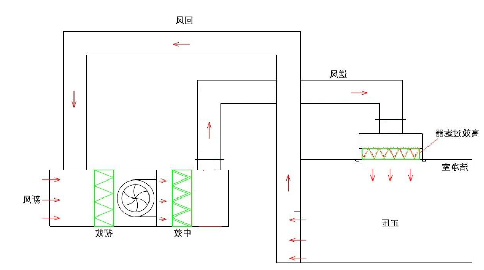
洁净车间室远离图
检测项目
随之在我国的整洁室需要量的加强和产业快速发展的快速发展,在我国的现已发部了多个相关规格,打比方GB 50591-2010 《整洁室施工过程及查看规则》、GB 50346-2011《生态学安全可靠实验英文室工程建筑装修能力规则》、GB 50687-2011《食品类工业制造整洁住宅工程建筑装修能力规则》、GB 50073-2013《整洁钢结构厂房设计规则》等。
依据追求追求,与卫生室测试关于的测试业务有:
干净干燥度(灰尘微粒)检查测量
浮游菌、沉降菌探测
流速监测
温内部含水率、嘈音、光照强度、风压差加测
表面层生物工程
排风量检则(通风每一次)
……
查重次数
GB 50591-2010 《美观室施工作业及复验正规》西南部分部分项目需求的率:

【《中国大药典》2020版四部9205 放射性药品干净干燥实践室微动物数据监测和调控的指导的原则】中西部地区分参数指标规范要求的频繁:


服务的计划方案
梅里埃营养素小学科学(国家)要享有专业性的在线监测贴心保障团队图片,应该为企业打造洁净度室策划方案设置、在线监测等贴心保障。要享有CMA执照,拥有着要从严的产品管理系统制度和最先进的在线监测设配,保证 在线监测结果显示公证处公证靠谱。
软件测试措施:
净化室装修工程及验收单规定GB 50591-2010
医疗重工业净化后的室(区) 飘浮离子的测试仪的办法GB/T 16292-2010
医药业工业化净化室(区) 浮游菌的各种测试技术GB/T 16293-2010
生物医药化工整洁室(区) 沉降菌的测验措施GB/T 16294-2010
干净干燥厂房车间制作规范标准GB 50073-2013
医生洁净并用小手术部建筑结构技艺正规GB 50333-2013 (通风多少次)
分辨需求:
GB 50457-2019《制药企业洁净间场房的设计规定》
GB 50073-2013《洁净度仓库厂房设计制作标准化》
GB 50687-2011《美食化工净化后的综合用地工程建筑技术水平正确》
GB 50472-2008《电子元器件化学工业无尘室厂房车间制作正规》
GB 50346-2011《生物制品防护实验英文室建筑结构高技术标准》
YY 0033-2000《没有细菌医疗保健用器生产加工治理管理规范》
《我国的药典》2020版四部9205 制剂超净工作室微生态学污染监测和有效控制制定方案标准
假如您有涉及金融业务需求,欢迎语致電400-645-8088或取得联系您的金融业务代替质询,我门将尽心尽意为您产品!
来原:梅里埃测试
注:这些图文并茂方面來源自梅里埃判断,烦请侵权案,请及时的与大家建立联系删除图片。
Sichuan Safety Testing Center Co.,LTD. 四川省beat365体育 检测有限公司 版权所有
服务性域